- Главная
- Каталог товаров
- Тепловое оборудование
- Котлы и комплектующие
- Электрические
- РУСНИТ РЭКО-15ПМ
Электрический котел РУСНИТ РЭКО-15ПМ
-
тип котлаэлектрический
-
способ установкинастенный
-
мощность, кВт15
-
напряжение сети, В380
-
габариты, мм718х400х340
-
вес, кг32
-
страна производительРоссия
-
гарантия2 года
- Описание
- Доставка
Электрический одноконтурный отопительный котел Российского производства РЭКО от производителя электрокотлов «РусНИТ» предназначенный для создания комфортных условий пребывания в жилых и производственных помещениях.
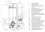
Электрокотлы РЭКО 15 ПМ представляет из себя отопитель, укомплектованный циркуляционным насосом (WILO- Германия) , экспанзоматом (СIMM - ИТАЛИЯ) ,предохранительным клапаном (KRAMER - Италия) и воздухоотводчиком (VALTEC - Италия).
Миникотельная РЭКО 15 ПМ разработана специально для применения в поквартирном отоплении.
Электрокотел "РЭКО" отличается современным дизайном, надежной конструкцией (бак и тэны- нержавеющая сталь) и отличным функционалом (недельное программирование, счетчик расхода электроэнергии). Коммутация ТЭНов в котле осуществляется при помощи полупроводников — это гарантирует большой ресурс, бесшумную работу, исключает вероятность подгорания контактов и радиопомех. Группы ТЭНов позволяют выполнять равномерную трехступенчатую регулировку по мощности без перекоса фаз. Устойчиво работают при пониженном напряжении. Допускается использование котла совместно с системами «теплый пол» (точность датчика 0,5 С).
Управление электрическим котлом РЭКО осуществляется при помощи функциональной панели с ЖК-дисплеем, имеющей все необходимые индикации (информация о текущих температурах, режимах работы и неисправностях).
Конструкция котла позволяет использовать в качестве теплоносителя, как воду, так и антифриз (предназначенный для бытовых систем отопления).
Безопасность эксплуатации обеспечивается 3-мя датчиками:
- датчиком температуры,
- регулировкой температуры окружающей среды,
- предельным датчиком температуры.
Гарантия на котел составляет 2 года, на теплообменник 8 лет.
Электрокотлы «РЭКО» полностью соответствуют требованиям по безопасности ГОСТ.
-
Интеллектуальная система управления котла;
-
Сбор и обработка данных о температурах теплоносителя и воздуха;
-
Контроль температуры теплоносителя в пределах от +5С до +85С;
-
Контроль температуры воздуха в пределах от -от +5С до +35С;
-
Счетчик расхода электроэнергии котла;
-
ЖК -дисплей;
-
Автоматическое управление группами ТЭНов;
-
Возможность ограничения потребляемой мощности;
-
Возможность плавной регулировки эффективной мощности;
-
Возможность калибровки электрокотла под заданное помещение;
-
Управление насосом в режимах автоматический и принудительный;
-
Предотвращение охлаждения теплоносителя ниже +5 град. Цельсия;
-
Поддержание заданных температурных режимов;
-
Недельное программирование;
-
Возможность управления с GSM модуля (опция);
-
Обеспечение индикации параметров электрокотла;
-
Обнаружение аварийных ситуаций;
-
Каскадное управление;
Условия доставки
Доставка заказанной у нас продукции осуществляется автотранспортом по г. Тула и Тульской области. Стоимость доставки определяется по секторам:
- В черте города Тула, а также по Тульской области (до 20 км) - 300 руб.
- По Тульской области, от 20 км до 80 км от г. Тула - 30 руб./км
- Тарифы на доставку свыше 80 км от г. Тула оговариваются отдельно.
Доставка твердотопливных котлов по г. Тула 2000 руб.
Осуществляем доставку твердотопливных котлов STROPUVA и Ф.Б.Р.Ж. в г. Калуга









